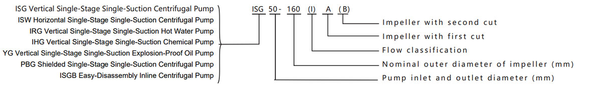
The ISG vertical inline centrifugal pump (suitable for pipeline booster pumps and pipeline pressurization pumps) is designed based on the performance parameters of the IS-type centrifugal pump, with optimized structure for vertical installation. Depending on the temperature and medium, variations such as the IRG-type hot water centrifugal pump, IHGG-type stainless steel chemical pump, and YG-type pipeline oil pump are derived from the ISG base model. This series of products is characterized by a compact structure,minimal components, and ease of use and maintenance.
ISG Vertical Inline Centrifugal Pump: Used for transporting clean water or other liquids with physical and chemical properties similar to clean water. The temperature of the transported medium is T < 120°C.
IRG Vertical Hot Water Circulation Pump: Used for hot water pressurization and circulation in various industries or as a circulation pump in urban heating systems. The temperature of the transported medium is T < 120°C. Due to advancements in mechanical seal technology, the IRG and ISG pumps are now interchangeable, and specific distinctions are not required in the model designation.
IHG Vertical Inline Chemical Pump: Used for transporting liquids with a certain level of corrosiveness, viscosity similar to water, and containing no solid particles (or minimal fine particles;please consult technical personnel for specifics). The temperature of the transported medium ranges from -20°C to +120°C.
YG Vertical Inline Centrifugal Oil Pump: Used for transporting light petroleum products such as gasoline, kerosene, and diesel. The temperature of the transported medium ranges from -20°C to + 120°C. Copper impellers can be configured as needed.

